Product
CRP welding/handling experts start with welding,
not just welding
not just welding
Use high-speed motor, and do software optimization, the overall beat is 20% faster than the previous generation;
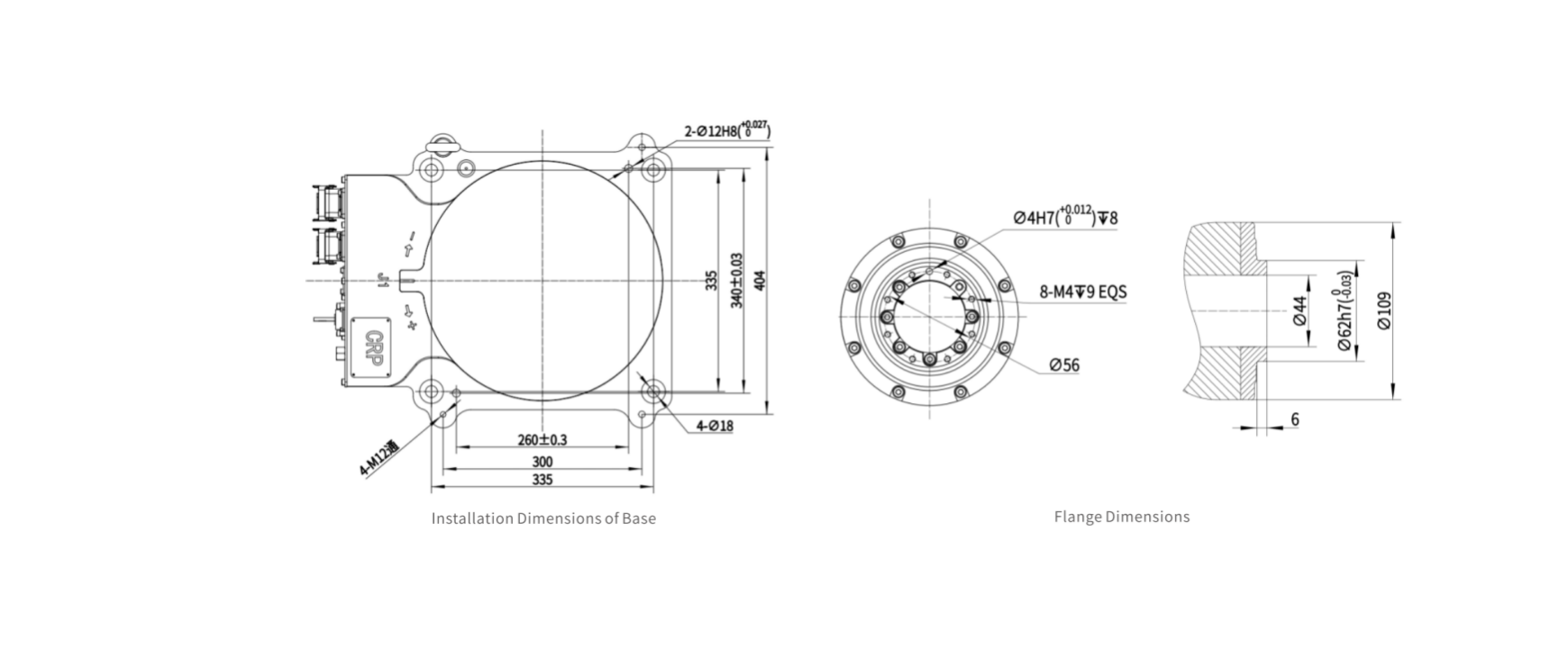
Lighter weight,smaller forearm size, better accessibility;
High protection :1,2 shafts are equipped with dustproof cover, and fully surrounded welding gun is used at the same time;
J4,J6 axis hollow structure, can use hollow welding gun;
Built-in user line, gas pipe, welding cable,smooth body, clean appearance.


